浙江太阳成集团tyc122cc入口液压科技股份有限公司
太阳成集团tyc122cc入口液压产品覆盖工程、农业、矿山、工业、环保和军工等各类车辆配套的液压阀、油缸

手机版 微官网 English


销售热线

技术热线:0576-85183757


多路阀系列

所在位置:首页 液压产品 > 多路阀系列 >


关键词:多路阀系列先导阀系列制动阀系列操纵阀系列农机阀系列转向阀系列

>

产品分类 Product Lists

全国服务热线:

0576-85182037

产品样册下载

销售电话:0576-85182037
技术电话:0576-85183757
传真号码:0576-85182843
联系邮箱:haihong@cn-hydraulic.com
公司地址:浙江省临海市江南街道金岭路199号


产品特点

  • 6通片式多路阀;

    紧凑的片式结构,可针对不同机器的需要组合相应的控制阀组;

    控制方式:手动、电控;

    回路形式:并联回路、串并联回路、串联回路;

  • 负载敏感控制,微动特性好;

    多路阀结构紧凑压力损失小,进出油油口位置可根据用户需要做调整;

    通过一次、二次溢流阀保护系统;

    具有自动调平,后倾半速功能。


应用领域

除在叉车领域广泛应用之外,还能在物流搬运机械等其他机械上应用。

技术参数(对超出下述参数的应用场合,请与我公司联系)

概述

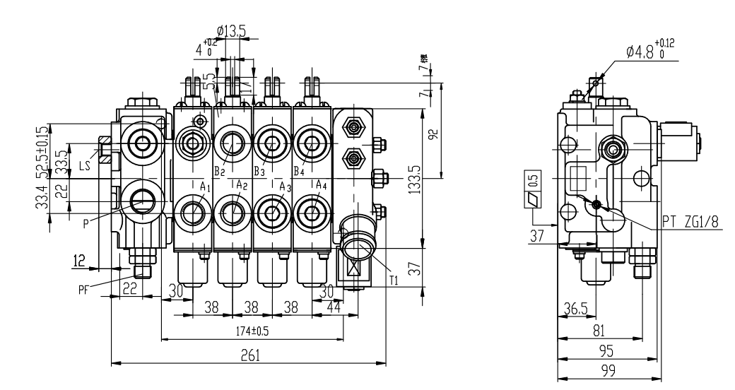
结构

螺栓连接

说明

6通回路/压力控制

安装位置

任意

油口连接方式

螺纹

通径 mm

15

阀杆行程 mm

7/7

液压

泄漏量(在180bar,32mm2/s,50℃时) mL/min

≤20(普通)

≤12(叉车类)

额定压力bar

中压型L ≤250

高压型H ≤300

回油背压bar

≤15

液压油温度范围℃

-20~+100

粘度范围mm2/s

10~460

油液允许的污染等级

-/19/16 (ISO4406:1999)

机械

重量

进油联 kg

4.5

换向联(标准液控联) kg

6.3

出油联 kg

3.9

阀芯复位力(无定位装置)N

≤160

阀芯允许的最大操作力

轴向力N

≤1000

径向力N

≤20

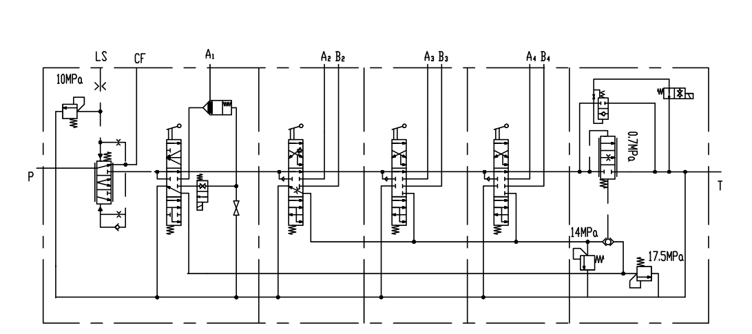
典型液压原理图及外形图之一

14

15 16

应用说明

该系列CDB5多路阀在流量足够的情况下,每个工作联的流量是恒定的,与其负载的变化无关,使得每个工作元件都能实现平稳的工作,不会出现加大油门突然加速,更加便于操控;系统在工作时,泵工作压力一直是执行元件的压力(即负载压力)加上控制压力P(CDB5为0.7MPa),泵工作压力随负载压力变化而变化,实现了系统的高效利用,降低能耗,而现在普通多路阀,泵是在溢流压力下工作(起升除外);系统多余的流量通过控制阀芯的调节回油箱,其卸荷压力为负载压力加上控制压力。而现在普通多路阀,多余流量通过溢流阀回油箱,卸荷压力高,而且产生热量,加速液压系统的老化;多路阀内部装有梭阀,可以反馈执行元件的最高压力,从而调节流量;该系列多路阀应用于1-3T叉车。

典型液压原理图及外形图之二

17

18 16

应用说明

该系列多路阀具有负载敏感功能,微动特性好,可设置每一口的流量实现精细控制,并增加了操作者感知设置(OPS功能),通过在升降阀片和回油阀片上设置电磁阀,在车辆座椅内设置开关来控制电磁阀,实现当人离开座椅后整车无法动作,该系列多路阀应用于1-3T叉车、小型叉装机等等。

典型液压原理图及外形图之三

19

20 21

应用说明

该系列多路阀除具有负载敏感、OPS功能,还能实现自动调平,即通过在前倾回油设置电磁阀,将控制按钮设置在操纵手柄上,当操纵者需要门架水平时,只要按住控制按钮推动手柄即可,也可设置当门架超过一定高度时,关闭该电磁阀,防止误操作造成前倾角度过大;后倾半速,即在后倾回油上设置电磁阀,通过传感器反馈门架高度,当门架超过一定高度时,关闭电磁阀,使得后倾流量减少,实现后倾高门架半速功能。

相关产品



太阳成集团tyc122cc入口液压

销售热线:0576-85182037


技术热线:0576-85183757   传真号码:0576-85182843
联系邮箱:haihong@cn-hydraulic.com   公司地址:浙江省临海市江南街道金岭路199号

友情链接: 多路阀系列 先导阀系列 制动阀系列 操纵阀系列 农机阀系列 转向阀系列 Sitemap TXT Sitemap XML 网站地图

微信二维码
微信官网

手机端二维码
手机官网